Thu 03 July 2025:
When you buy a new electronic appliance, shoes, medicines or even some food items, you often find a small paper sachet with the warning: “silica gel, do not eat”.
What exactly is it, is it toxic, and can you use it for anything?
The importance of desiccants
That little sachet is a desiccant – a type of material that removes excess moisture from the air.
It’s important during the transport and storage of a wide range of products because we can’t always control the environment. Humid conditions can cause damage through corrosion, decay, the growth of mould and microorganisms.
This is why manufacturers include sachets with desiccants to make sure you receive the goods in pristine condition.
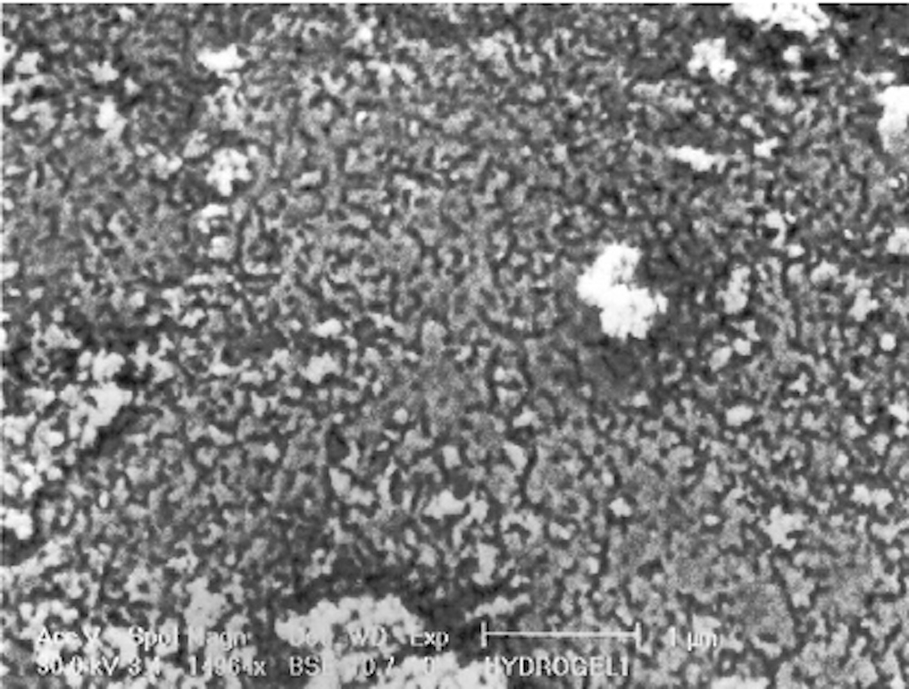
The most common desiccant is silica gel. The small, hard and translucent beads are made of silicon dioxide (like most sands or quartz) – a hydrophilic or water-loving material. Importantly, the beads are porous on the nano-scale, with pore sizes only 15 times larger than the radius of their atoms.

Silica gel looks somewhat like a sponge when viewed with scanning electron microscopy. Trabelsi et al. (2009), CC BY-NC-ND
These pores have a capillary effect, meaning they condense and draw moisture into the bead similar to how trees transport water through the channelled structures in wood.
In addition, sponge-like porosity makes their surface area very large. A single gram of silica gel can have an area of up to 700 square metres – almost four tennis courts – making them exceptionally efficient at capturing and storing water.
__________________________________________________________________________

https://whatsapp.com/channel/0029VaAtNxX8fewmiFmN7N22
__________________________________________________________________________
Is silica gel toxic?
The “do not eat” warning is easily the most prominent text on silica gel sachets.
According to health professionals, most silica beads found in these sachets are non-toxic and don’t present the same risk as silica dust, for example. They mainly pose a choking hazard, which is good enough reason to keep them away from children and pets.
However, if silica gel is accidentally ingested, it’s still recommended to contact health professionals to determine the best course of action.
Some variants of silica gel contain a moisture-sensitive dye. One particular variant, based on cobalt chloride, is blue when the desiccant is dry and turns pink when saturated with moisture. While the dye is toxic, in desiccant pellets it is present only in a small amount – approximately 1% of the total weight.

Indicating silica gel with cobalt chloride – ‘fresh’ on the left, ‘used’ on the right. Reza Rio/Shutterstock
Desiccants come in other forms, too
Apart from silica gel, a number of other materials are used as moisture absorbers and desiccants. These are zeolites, activated alumina and activated carbon – materials engineered to be highly porous.
Another desiccant type you’ll often see in moisture absorbers for larger areas like pantries or wardrobes is calcium chloride. It typically comes in a box filled with powder or crystals found in most hardware stores, and is a type of salt.
Kitchen salt – sodium chloride – attracts water and easily becomes lumpy. Calcium chloride works in the same way, but has an even stronger hygroscopic effect and “traps” the water through a hydration reaction. Once the salt is saturated, you’ll see liquid separating in the container.

Closet and pantry dehumidifiers like this one typically contain calcium chloride which binds water. Healthy Happy/Shutterstock
I found something that doesn’t seem to be silica gel – what is it?
Some food items such as tortilla wraps, noodles, beef jerky, and some medicines and vitamins contain slightly different sachets, labelled “oxygen absorbers”.
These small packets don’t contain desiccants. Instead, they have chemical compounds that “scavenge” or bond oxygen.
Their purpose is similar to desiccants – they extend the shelf life of food products and sensitive chemicals such as medicines. But they do so by directly preventing oxidation. When some foods are exposed to oxygen, their chemical composition changes and can lead to decay (apples turning brown when cut is an example of oxidation).
There is a whole range of compounds used as oxygen absorbers. These chemicals have a stronger affinity to oxygen than the protected substance. They range from simple compounds such as iron which “rusts” by using up oxygen, to more complex such as plastic films that work when exposed to light.

Some of the sachets in your products are oxygen absorbers, not desiccants – but they may look similar. Sergio Yoneda/Shutterstock
Can I reuse a desiccant?
Although desiccants and dehumidifiers are considered disposable, you can relatively easily reuse them.
To “recharge” or dehydrate silica gel, you can place it in an oven at approximately 115–125°C for 2–3 hours, although you shouldn’t do this if it’s in a plastic sachet that could melt in the heat.
Interestingly, due to how they bind water, some desiccants require temperatures well above the boiling point of water to dehydrate (for example, calcium chloride hydrates completely dehydrate at 200°C).
After dehydration, silica gel sachets may be useful for drying small electronic items (like your phone after you accidentally dropped it into water), keeping your camera dry, or preventing your family photos and old films from sticking to each other.
This is a good alternative to the questionable method of using uncooked rice, as silica gel doesn’t decompose and won’t leave starch residues on your things.
Author:
![]()
Kamil Zuber
Senior Industry Research Fellow, Future Industries Institute, University of South Australia
This article is republished from The Conversation under a Creative Commons license. Read the original article.
__________________________________________________________________________
FOLLOW INDEPENDENT PRESS:
WhatsApp CHANNEL
https://whatsapp.com/channel/0029VaAtNxX8fewmiFmN7N22
![]()
TWITTER (CLICK HERE)
https://twitter.com/IpIndependent
FACEBOOK (CLICK HERE)
https://web.facebook.com/ipindependent
YOUTUBE (CLICK HERE)
https://www.youtube.com/@ipindependent
Think your friends would be interested? Share this story!

